市委
市人大
市政协
无障碍浏览
|
关怀版
|
|
站群导航
|
媒体矩阵
|
政务邮箱
|
用户空间
政务资讯
政务公开
政务服务
政民互动
数据开放
走进瓷都
首页
>
政务资讯
>
专题报道
>
预决算公开专栏
>
2025
>
部门预算公开
>
人民团体
>
市文学艺术界联合会
公开方式:
主动公开
有效期:
长期有效
公开时限:
长期公开
公开范围:
面向全社会
信息索取号:
014544172/2025-02778
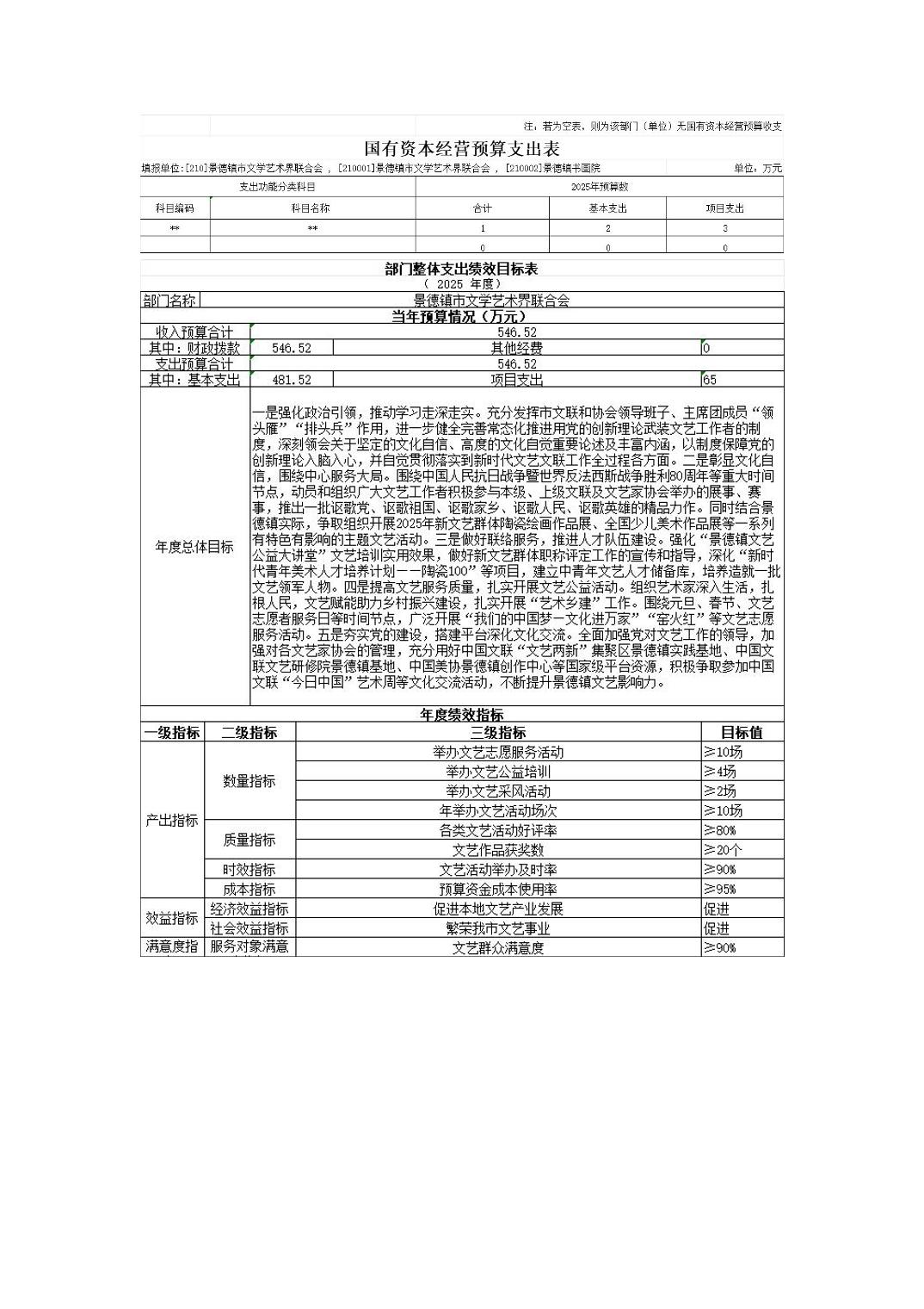
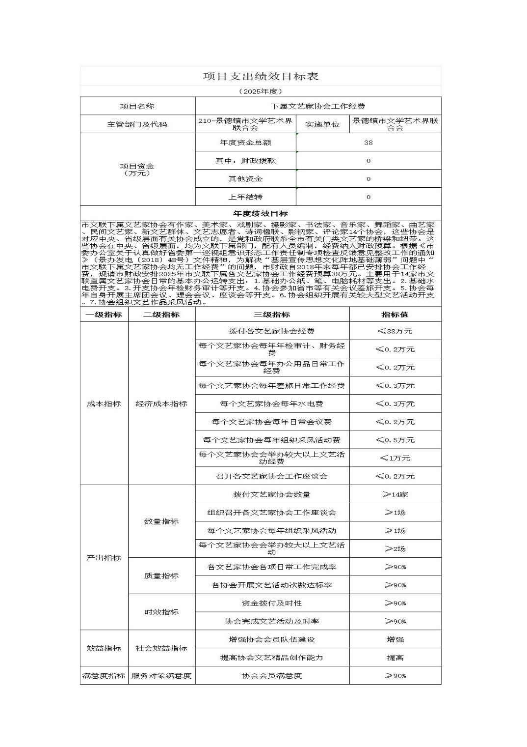
景德镇市文学艺术界联合会2025年部门预算
发布时间: 2025-02-13
访问量:
相关文档:
相关附件:
1011724
景德镇市文学艺术界联合会2025年部门预算
20
2025-02-13
27482
市文学艺术界联合会